Объемный звук — следующий шаг
Свою статью я хотел бы посвятить Юрию Александровичу Вознесенскому и Генадию Кузмичу Клименко авторам книги «Квадрофония» вышедшей в свет в 1979 году.

В начале 90х, мне еще юнцу в области электроники и звука попала в руки эта книжка, и зародила во мне юношеские идеи, которые на долгие годы я был вынужден отложить пылиться на полку до поры до времени.
Ибо в те далекие годы я понимал, что реализация подобных идей мне не по силам и тем более не по карману. Проходили годы, менялись и развивались технологии, а юношеская мечта всегда остается мечтой хоть и давно заброшенной на пыльной полке. Теперь, четверть века спустя, я решил возродить некогда заброшенную юношескую идею, сделать из своей сказки нечто осязаемое. Ибо теперь я могу реализовать то, что тогда, было мне не под силу и не по карману.
Объемный звук и его развитие
С времен изобретения фоноавтографа Эдуаром Леоном Скоттом де Мартенвилем в 1857 году многие годы цивилизация наслаждалась монофонческими записями на грампластинках, до 1930-х годов пока в филадельфийской Академии музыки не появилась на свет первая стерео запись на восковой диске. Теперь мы не просто слышали музыку, но и ощущали эффект присутствия.
Шли годы и стерео перешло с грампластинок на магнитные ленты, а с появлением цифровых технологий стерео успешно перешло на CD. И последний известный многим прорыв в области звуковоспроизведения произошел с появлением на свет DVD и домашних кинотеатров, и за многие годы развития звуковоспроизведения мы перешли от монофонии и стерео к объемному звуку.

За многие годы звуковоспроизведение пошло в сторону увеличения каналов, разделяя звук на НЧ, СЧ, ВЧ и создание многополосных акустических стерео систем, а также создание сабвуферов как отдельного класса, и привычное 2.0 переродилось в 2.1.
А с появлением DVD потребовалось очередное увеличение каналов звуковоспроизведения, и появилось 5.1, которые развилось дальше в 7.1 и дальше в 10.2, 16.2, 22.2. http://en.wikipedia.org/wiki/Surround_sound
Так куда мы идем? Куда развиваемся? Что будет дальше? 30.6? 100.10? 1000.500? ХХХХ.ХХХ?
Давайте остановимся и подумаем
Многие теоретики и практики связывают восприятие звуков человеком с теорией описываемой «бинауральным эффектом», по аналогии с бинокулярным зрением, так как у нас два глаза и два уха. И мы можем выполнять звуковую локализацию и обладаемпространственным восприятием.
На основе этой теории основаны все разработки известные как Dolby Stereo, Dolby Digital, Dolby Surround, Dolby Pro Logic, Dolby TrueHD и так далее, а также разработки других не менее именитых компаний Dolby Laboratories.
Но есть один парадокс, о котором, никто из сторонников бинауральной теории не задумывается, и он из области геометрии.
Как на основании двух точек создать в пространстве объемную фигуру? Это не возможно.
На основании двух точек вы сможете создать только отрезок или линию, но никак не сможете создать ни плоскость, ни тем более объемную фигуру.
На основании трех и более точек вы можете создать простейшую фигуру и плоскость, а простейшую объемную фигуру можно создать только на основании минимум четырех и более точек. Это неоспоримо как 2х2=4. Именно поэтому я в корне не согласен с бинауральной теорией, так как она не способна посредством двух точек восприятия объяснить то, что реально слышит и воспринимает человек.
Я не медик и не физиолог, я не могу объяснить, как на самом деле работает наше восприятие звуков. И даже те, кто считает, что они знаю все об этом, ошибаются.
Постараюсь объяснить свою точку зрения примитивно и на пальцах, посредством эксперимента над самим собой, который может повторить любой желающий. Для этого нам понадобится любое место, наполненное различными звуками, в городе или на природе, промзоне или офисе совершенно безразлично. А теперь предлагаю просто расслабиться, закрыть глаза и просто слушать, оставаясь не подвижно.
Несколько минут послушать все и вся, что происходит вокруг, все шумы и звуки. Попробуйте ничего не делая послушать все окружающие звуки и определить, откуда они исходят. Не открывая глаз, повернитесь в одну сторону, потом в другую, пошаркайте ногами. Не меняя положения головы, поднимите руки пощелкайте пальцами, левой, правой, на разных уровнях и перед собой. Попытайтесь мысленно определить, откуда какой звук исходит. Не получилось с первого раза, попробуйте еще раз.
Любой человек, не страдающий серьезными проблемами со слухом, способен определять в трехмерном пространстве источники звука и их положение в этом самом трехмерном пространстве. Любой человек может определять направление источника звука не только слева или справа, но и спереди или сзади, сверху или снизу.
Такими нас сделала природа, наше восприятие звуков превосходно работает в трехмерном пространстве и бинауральная теория не в состоянии этого объяснить посредством двух точек и фазовых смещений. Мы воспринимаем звуки более чем двумя точками, иначе, мы не могли бы определять направление звука в трехмерном пространстве.
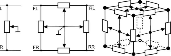
А теперь посмотрите на знакомые нам системы звуковоспроизведения.

Все эти системы не являются системами объемного звучания, ибо это плоскости, и все звуковые эффекты здесь возможны только в пределах плоскости, сколько бы каналов воспроизведения мы не добавляли. Все что весь мир и вы считали объемных звуком это обман, спецэффект и не более того. А чтобы создать реальную объемную систему звуковоспроизведения мы должны выйти за пределы плоскости к реально объемному пространству.

И здесь мы видим, что для создания простейшей объемной фигуры тетраэдра нам нужно минимум 4 вершины, для пирамиды 5, для куба 8. То есть для того, что бы создать минимальную систему объемного звуковоспроизведения, нам нужна минимум 4-х канальная система записи и воспроизведения, а самым правильным решением будет куб либо параллелепипед с 8-ю вершинами, так как именно такая фигура идеально вписывается в пространство комнат и помещений. Значит для получения реального 3D звука, нам нужна 8-и канальная система записи и воспроизведения и 8 акустических систем расположенных по углам помещения.

В лихие 90-е реализация такой системы для меня была попросту не достижимой. Тогда не было в доступности многоканальных систем, за исключением студийных многодорожечных о которых, простой сельский парень мог даже и не мечтать. Именно поэтому свою идею объемной звукозаписи я вынужден был положить пылиться на полку.
Возрождение из пыли
Спустя годы, когда у многих уже есть компьютеры, домашние кинотеатры с системой 5.1. Все считают это крутым объемным звуком, а у меня все это вызывает ухмылку. Все последние годы я смотрю и удивляюсь, прошло столько лет, а никто так и не пришел к этому простому геометрическому решению. Тогда четверть века назад у меня были достаточно веские причины положить свою идею пылиться на полке. Теперь во времена компьютерного бума, я нашел возможность довести свою идею до конца.
Первое, с чем я столкнулся, это то что до сих пор все фонограммы пишутся на студиях в обычном стерео режиме, а все остальное это только спецэффекты и не более того. Значит для этого, мне нужно самому записывать свои многоканальные фонограммы.
Но оказалось, что все звуковые карты 5.1 и 7.1 хоть и могу воспроизводить многоканальный звук, записывать могут только обычное стерео, а производить звукозапись с нескольких звуковых карт проблематично.
Пришлось искать нужное в среде профессионального многоканального звукозаписывающего оборудования. Многие годы такое оборудование было и остается не по карману любителю экспериментатору, но времена меняются, и появляется то, что уже по карману. Alesis io26 и MOTU UltraLite доступные решения для многоканальной записи, о которых когда-то я мог только мечтать.

Как реализовать?
Теперь я реально могу записать и воспроизвести 8 каналов звука, но остается вопрос как это делать. К тому же, это надо сделать с некоторой совместимостью с уже существующими форматами и стандартами записи и воспроизведения. Наиболее подходящий для этих целей формат ANSI/CEA-863-A, который позволит использовать для воспроизведения уже распространенные звуковые карты формата 7.1.

Стандартные 8 каналов я разделил на группы Front/Back, Left/Right и Up/Down, каждый из 8-и каналов имеет трехзначное обозначение, и эти 8 каналов уже формируют нужные нам плоскости в пространстве.

Эта модель в отличии от всем известных не плоская, а уже объемная и трехмерная. Эта модель и будет основой нашей системы. Остается только обзавестись 8-ю широкополосными акустическими системами, а также собрать 8-и канальную систему записи и 8-и канальную систему воспроизведения.
Система воспроизведения
Построена по схеме схожей с обычными аудио ресиверами и расширена до 8 каналов.

Экспериментальный образец собран в корпусе от микшера Fostex 2016.

Входной каскад собран на типичных операционниках УД708 которые, много лет провалялись без дела.

Выходной каскад собран на бюджетных китайских PAM8610, так как 5-10W достаточно для экспериментов.

Справа входной фильтр питания. Слева изолированный DC-DC преобразователь для питания операционных усилителей.
3D регулятор баланса
Типичную схему регулировки баланса между каналами пришлось также модернизировать. За основу берется 4х-канальная схема, широко используемая в автозвуке, и преобразуется в трехмерную, где средние точки всех плоскостей сходятся на одну землю.

Собирается по этой схеме:

В результате получился вот такой модуль. Для того чтобы его собрать пришлось обзавестись токарным станком и выточить некоторые детали самому.

Блок коммутации
Изначально он задумывался для унификации с обычными системами и возможности воспроизведения обычных форматов 2.0 и 5.1 в пределах моей трехмерной 8и канальной модели.

Как видно по схеме блок имеет 4 режима коммутации каналов.
- 2.0 — для совместимости с стерео записями, где не используется задний план
- 2.0 extra — расширенное стерео с использованием заднего плана.
- 5.1 — трансформация звука 5.1 в 8-и канальный (заложен на будущее)
- 8.0 — и непосредственно режим с 8-ю независимыми каналами.
Немного поясню задуманное. В режиме «2.0» используются фронтальные 2-е левые и 2-е правые АС что полностью повторяет обычный стерео эффект на 4-х фронтальных АС.
В режиме «2.0 Extra» помимо фронтальных задействованы и тыловые АС, 4-е левые и 4-е правые, что позволяет получить восприятие стерео схожее с наушниками. В режиме «5.1» фронтальные и тыловые каналы коммутируются на аналогичные пары, а центр и сабвуфер распределяется между фронтальными АС. Ну а в режиме «8.0» мы получаем все каналы независимыми друг от друга.

Выглядит этот модуль пока так и со временем будет к нему добавлена обвязка для совместимости с другими форматами. Также со временем будет добавлен выход на внешний усилитель.
Система записи
Теперь остается записать живой звук в нужном нам формате, для того чтобы все это ожило и дало ожидаемый эффект. В основе мобильной системы записи я использую MOTU Ultralite mk2, в стационаре Terratek EWS88MT. В качестве ПО бесплатный Audacity.
Моя первая модель 3D микрофона к моему сожалению дала результат далекий от ожидаемого.

Одно дело собрать 8 микрофонов в некую конструкцию, совсем другое, изолировать микрофоны друг от друга, заставить каждый из микрофонов слышать только свою зону и не слышать ничего другого. Иначе для получения нужного эффекта при воспроизведении записанный звук припрется подвергнуть цифровой обработке, а это добавит еще дополнительные проблемы с разработкой своего собственного софта.
И вот тут у меня прогресс затягивается, готовых фонограмм в подобном формате в мире пока не существует, записать подобную фонограмму с достаточным качеством тоже проблематично, остается и дальше заниматься изысканиями.
P.S. Пока я делал свой блок воспроизведения, в Германии компания Microtech Gefell уже сделала микрофонную систему для 3D записи M Cube

Для тех кому это будет интересно
Желающие собрать подобную систему могут использовать более простую схему без блока коммутации режимов и регулятора баланса каналов.

Для этого нам понадобится любая звуковая карта как минимум с 8-ю аналоговыми выходами, а это все карты поддержкой 7.1 как внешние, так и интегрированные. Четыре обычных стерео усилителя или два автомобильных четырех канальных, а также 8 одинаковых широкополосных акустических систем или 4 пары обычной стерео акустики. Сателиты от систем 5.1 и 7.1 использовать можно, но у них отсутствуют низкие частоты.
Ресиверы 5.1 и 7.1 тоже не подойдут, так как у них не все каналы имеют одинаковую АЧХ и встроенные DTS процессоры будут только мешать. К звуковым картам особых требований нет, так как почти все карты даже на низкочастотный выход для сабвуфера выдают полный частотный диапазон (проверял лично), но вполне возможно, что для некоторых продвинутых карт придется принудительно отключать все программные фильтры и DTS обработчики, чтобы они не мешали.
Для проверки системы могу предложить свои тестовые семплы в WAV формате, которые без проблем воспроизводятся как Media Player Classic так и всеми известным в Windows Media Player.
Себя я не считаю специалистом по звукозаписи и созданию спецэффектов и приму любую помощь в создании фонограмм в таком многоканальном формате. И для тех, кто отважится заниматься самостоятельно созданием фонограмм в таком формате, могу дать некоторые рекомендаций по настройке системы.
Для включения многоканального режима в Audacity, в настройках помимо выбора Устройства WASAPI надо в параметрах «Импорт/Экспорт» опцию «Микс в стерео или моно» переключить в «Выполнить заданное микширование», после чего Audacity позволит сохранять многоканальные семплы, а не только стерео.
Моя MOTU Ultralite по умолчанию в Windows создает 4 стерео устройства, чтобы ее заставить работать в режиме 7.1 в утилите MOTU Audio Console выбираю Phone Assigment как «Phone 1-2», а Main Out Volume как «7.1 Analog 1-8» после чего 4 стерео устройства исчезают и появляется одна 8и канальная MOTU Analog.
Andrey A Kireev ( Этот e-mail адрес защищен от спам-ботов, для его просмотра у Вас должен быть включен Javascript ) 2020 год.